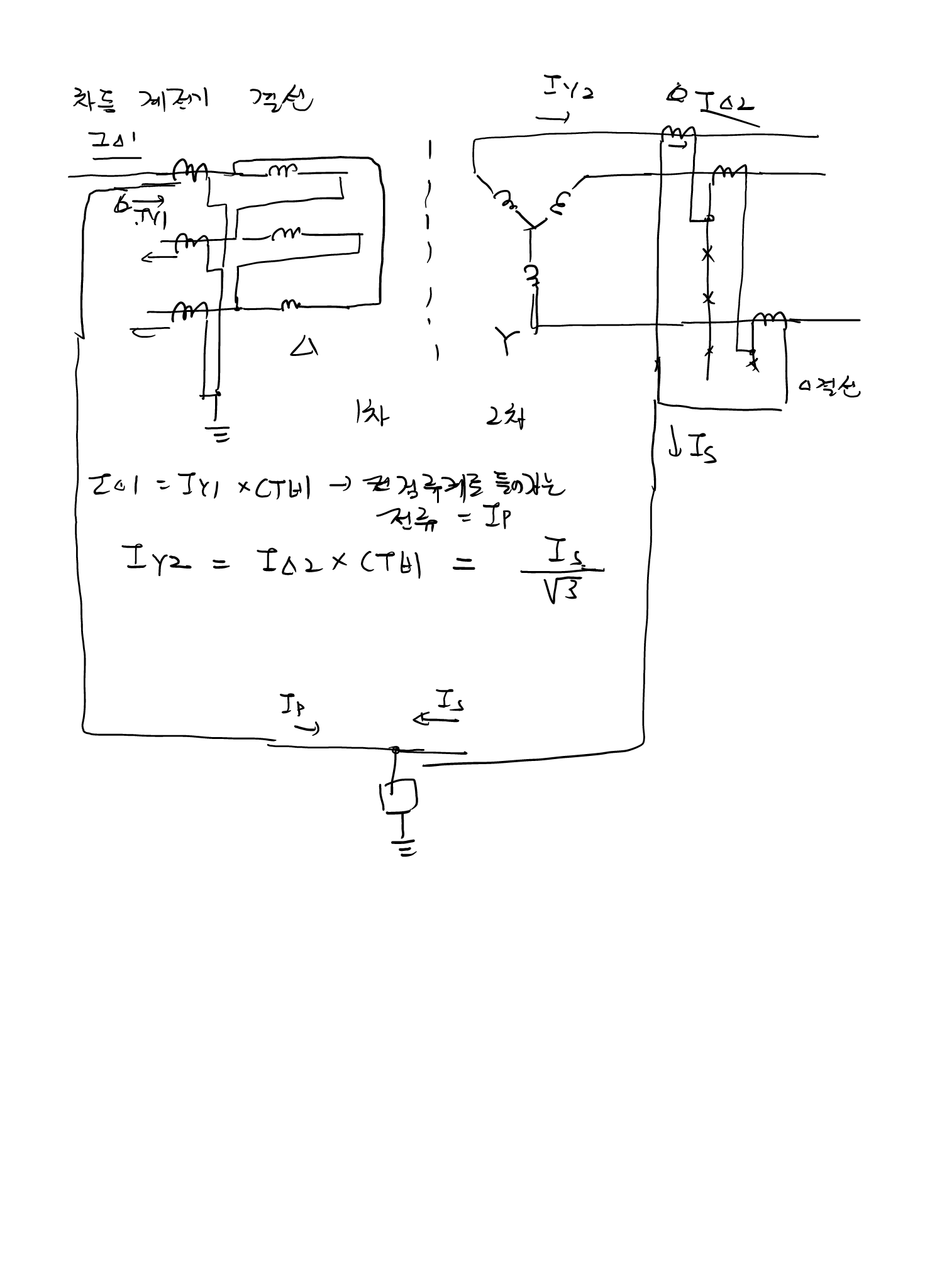
차동 계전기로 들어가는 전류값은 DELTA결선일 때 전류 * 루트3배 만큼 들어감.
충전용량 구하는 문제
%임피던스
이메일 주소는 공개되지 않습니다. 필수 필드는 *로 표시됩니다
이름*
이메일*
웹사이트
댓글 알림 이메일 받기
새 글 알림 이메일 받기
Δ
이 사이트는 Akismet을 사용하여 스팸을 줄입니다. 댓글 데이터가 어떻게 처리되는지 알아보세요.