
Instrument signal capsule은 피드백 스프링과 연결되어 파일럿 밸브 스풀의 위치를 조정하는 역할을 합니다. 구체적으로 다음과 같은 기능을 합니다:
- 신호 입력 조정:
캡슐은 입력된 제어 신호(예: 공압 신호)에 따라 파일럿 밸브 스풀의 위치를 조정하여, 시스템 내에서 적절한 공압을 생성합니다. - 위치 제어:
생성된 공압은 실린더 피스톤의 위치를 제어하며, 이를 통해 액추에이터의 동작이 원하는 출력에 맞춰집니다. - 피드백 역할:
캡슐이 피드백 스프링과 상호작용하여 파일럿 밸브의 동작을 조정하므로, 시스템 전체가 정확한 제어를 유지하도록 돕습니다.
결론적으로, 이 캡슐은 시스템의 위치 제어기(positioner) 내에서 신호를 처리하고, 액추에이터의 움직임을 조정하는 핵심 구성 요소입니다. 추가적으로 깊게 이해하고 싶은 부분이 있으면 알려주세요! ?
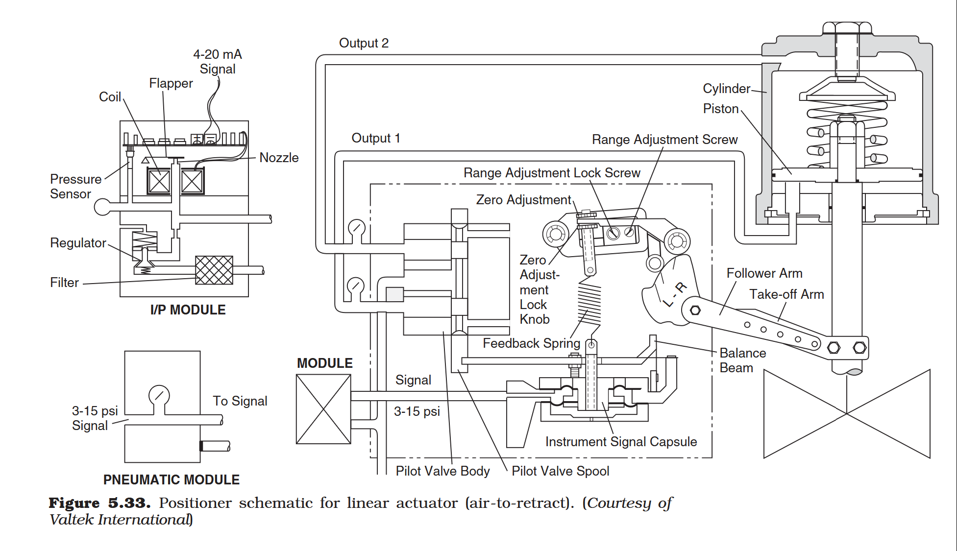
이 그림은 계측 신호 캡슐(instrument signal capsule)이 파일럿 밸브 및 피드백 메커니즘과 상호작용하는 과정을 시각적으로 보여주는 구조로 보입니다. 시스템의 작동을 이해하기 위해 주요 요소를 설명하겠습니다:
- 계측 신호 캡슐 (Instrument Signal Capsule):
- 이 캡슐은 제어 신호를 수신하고, 이를 파일럿 밸브의 스풀에 전달합니다.
- 이를 통해 액추에이터의 움직임을 제어하는 공압을 생성하는 초기 단계가 진행됩니다.
- 파일럿 밸브 스풀:
- 스풀은 공압을 조절하며, 밸브 개폐를 제어합니다.
- 계측 신호 캡슐로부터 받은 신호에 따라 스풀의 위치가 조정됩니다.
- 피드백 스프링 (Feedback Spring):
- 스프링은 시스템의 피드백을 제공하여, 파일럿 밸브의 작동을 안정화시키고 정확성을 높입니다.
- 액추에이터의 출력 위치를 감지하여 캡슐과 상호작용하며 밸런스를 유지합니다.
- 액추에이터 작동:
- 신호 캡슐과 파일럿 밸브의 조합에 의해 생성된 공압은 액추에이터를 구동하여 밸브를 개폐하거나 특정 위치에 고정합니다.
이 그림은 시스템 내에서 각 구성 요소가 상호작용하며 제어 신호를 공압으로 변환하고, 피드백을 통해 밸브의 위치를 안정적으로 유지하는 과정을 보여줍니다. 각 요소가 어떻게 연결되어 있는지, 그리고 신호가 어떻게 전달되고 조정되는지를 시각적으로 이해하기 위한 구조로 보입니다. 혹시 더 구체적으로 설명이 필요하거나 추가적인 요소를 알고 싶으시면 말씀해주세요! ?
Signal 3-15 psi는 입력입니다. 이 범위의 공압 신호는 제어 시스템이나 포지셔너에 전달되어 밸브의 위치를 제어하거나 액추에이터를 구동하는 데 사용됩니다.
구체적으로:
- 3-15 psi는 제어 신호로 사용되며, 시스템에서 액추에이터가 원하는 위치를 정확히 달성하도록 유도합니다.
- 이 신호는 모듈이나 다른 장치로 전달되어 해당 장치가 밸브 또는 관련 구성 요소를 작동하게 합니다.
결론적으로, 3-15 psi는 모듈의 동작을 결정하는 중요한 입력 신호입니다. 필요하다면 더 자세한 설명을 추가해 드릴게요! ?
Instrument signal capsule은 **입력된 공압 신호(3-15 psi)**를 받아 내부 메커니즘을 통해 모듈에 적절한 출력으로 전달합니다. 이 과정을 단계별로 설명하면 다음과 같습니다:
- 공압 신호 수신:
- Instrument signal capsule은 컨트롤러나 제어 시스템에서 보내진 3-15 psi의 공압 신호를 수신합니다.
- 이 신호는 원하는 밸브 위치나 액추에이터 상태를 나타내는 명령 신호입니다.
- 스프링 및 파일럿 밸브와의 상호작용:
- 캡슐 내부의 다이어프램 또는 피스톤은 입력 신호에 따라 변형되며, 피드백 스프링과 상호작용하여 파일럿 밸브의 스풀 위치를 조정합니다.
- 파일럿 밸브는 공압을 제어하여 액추에이터에 전달할 공압을 생성합니다.
- 공압 출력 생성:
- 생성된 공압은 모듈(예: 액추에이터, 밸브)로 전달됩니다.
- 이 출력 공압은 액추에이터를 구동하거나 밸브의 위치를 조정합니다.
- 피드백 루프 형성:
- 피드백 메커니즘을 통해 액추에이터의 실제 동작(예: 밸브 위치)이 캡슐로 다시 전달되어 원하는 설정 값과 비교됩니다.
- 이를 통해 시스템이 안정적으로 작동하며 오차가 최소화됩니다.
결론적으로, instrument signal capsule은 입력된 제어 신호(3-15 psi)를 내부적으로 처리하여, 파일럿 밸브와의 조합으로 모듈에 정확한 공압 출력을 제공하는 핵심 역할을 합니다. 이 과정은 공압 시스템이 정확하고 신뢰성 있게 작동하도록 보장합니다. 추가적으로 상세한 피드백 과정이나 특정 모듈의 작동 원리에 대해 더 알고 싶으시면 말씀해주세요! ?
액추에이터의 현재 위치를 알기 위해 피드백 시스템을 사용합니다. 일반적으로 제어 시스템 내에서 액추에이터의 위치를 확인하는 방법은 아래와 같습니다:
1. 포지셔너(Positioner) 활용
포지셔너는 액추에이터와 연결되어 있으며, 액추에이터의 위치를 실시간으로 감지하고 제어 신호와 비교하여 정확한 위치를 유지합니다. 포지셔너는 주로 다음을 수행합니다:
- 액추에이터 위치를 직접 감지하는 센서를 포함함.
- 신호를 교정하여 정확한 위치에 도달하도록 제어.
2. 내부 위치 센서
많은 액추에이터는 내부 위치 센서를 포함하고 있습니다. 이러한 센서는 액추에이터의 물리적 움직임을 측정하고, 이를 전기 신호나 공압 신호로 변환하여 컨트롤러에 전달합니다.
- 예: 포텐셔미터, 리니어 센서, 자기 위치 센서.
- 이는 위치 정보를 정확히 전달하여 시스템 성능을 개선합니다.
3. 피드백 루프
액추에이터가 움직일 때, 시스템은 제어 신호와 실제 위치 간의 오차를 계산합니다. 이 피드백 루프를 통해 액추에이터의 위치를 지속적으로 조정합니다.
- 실제 위치는 피드백 스프링, 포지셔너, 또는 센서를 통해 확인됩니다.
- 오차가 감지되면 제어 신호를 조정하여 액추에이터를 원하는 위치에 고정합니다.
4. 기계적 연결
일부 시스템에서는 간단한 기계적 링크나 표시 장치를 사용하여 액추에이터의 위치를 직관적으로 확인할 수 있습니다. 이 방식은 정확도는 낮지만 설치 및 유지보수가 간단합니다.
5. 현대적 방법: 디지털 피드백
현대적인 액추에이터는 디지털 센서를 포함하여 위치 정보를 컨트롤러에 전달합니다. 이를 통해 원격으로 위치를 모니터링하고 조정할 수 있습니다.
- 데이터를 저장하거나 분석하여 시스템 성능을 최적화합니다.
- 통신 프로토콜: HART, Foundation Fieldbus 등.
결론적으로, 액추에이터의 위치는 센서, 포지셔너, 피드백 시스템을 통해 정확히 감지되고 제어됩니다. 구체적인 모델이나 시스템에 따라 이 방법이 달라질 수 있으니, 추가적으로 알고 싶은 특정 액추에이터에 대해 말씀해주시면 더 깊은 설명을 드릴 수 있습니다! ?
이 그림에서 액추에이터의 현재 위치를 확인하는 메커니즘은 피드백 루프를 통해 이루어집니다. 주요 원리를 단계적으로 설명하겠습니다:
1. 기계적 연결을 통한 피드백
- 액추에이터의 동작(현재 위치)은 **팔로워 암(Follower Arm)**과 **테이크오프 암(Take-off Arm)**으로 연결됩니다.
- 액추에이터가 움직이면, 팔로워 암과 테이크오프 암도 이에 따라 움직이며 현재 위치 정보를 전달합니다.
2. 밸런스 빔(Balance Beam)과 피드백 스프링의 역할
- 테이크오프 암이 움직이면서 **밸런스 빔(Balance Beam)**과 **피드백 스프링(Feedback Spring)**을 조정합니다.
- 이는 입력 신호와 액추에이터의 실제 위치 간의 차이를 감지하고, 이를 조정하도록 파일럿 밸브에 정보를 전달합니다.
3. 파일럿 밸브 스풀(Pilot Valve Spool)의 조정
- 피드백 메커니즘에 따라 파일럿 밸브 스풀이 움직이며, 액추에이터에 보내는 공압 신호를 조절합니다.
- 이로써 액추에이터가 원하는 위치에 도달하도록 제어됩니다.
4. 위치 조정과 안정성
- 액추에이터가 설정된 위치에 정확히 도달하면, 입력 신호와 피드백 신호가 균형을 이루어 파일럿 밸브 스풀이 중립 위치를 유지합니다.
- 이는 액추에이터가 정확한 위치에 고정되도록 합니다.
5. 종합적 피드백 루프
- 입력 신호(3-15 psi) → 캡슐(Instrument Signal Capsule) → 파일럿 밸브 → 출력 공압 → 액추에이터 이동 → 팔로워 암 및 피드백 스프링 → 파일럿 밸브 조정 → 위치 안정화.
이 과정을 통해 액추에이터의 위치가 지속적으로 확인되고 제어됩니다.
핵심: 팔로워 암과 테이크오프 암을 통해 현재 위치 정보를 피드백 스프링과 밸런스 빔으로 전달하여 시스템이 입력 신호에 따라 정확히 작동하도록 보장합니다. 추가적으로 궁금하신 부분이 있다면 말씀해주세요! ?
Feedback spring은 피드백 메커니즘의 핵심 역할을 하며, 시스템의 출력(즉, 액추에이터의 현재 위치) 정보를 Instrument Signal Capsule로 전달하여 입력 신호와 실제 동작 간의 균형을 유지하는 데 사용됩니다. 다음은 그 동작 과정을 설명한 내용입니다:
1. 출력 피드백 전달
- 액추에이터가 움직이면, 이 움직임(현재 위치 정보)은 **테이크오프 암(Take-off Arm)**과 같은 메커니즘을 통해 피드백 스프링에 물리적으로 전달됩니다.
- 스프링은 액추에이터의 위치 변화에 따라 늘어나거나 압축되면서 기계적 변위를 생성합니다.
2. 스프링의 변형이 캡슐에 영향을 미침
- 피드백 스프링이 변형되면, 이 변형은 밸런스 빔(Balance Beam)이나 관련 메커니즘을 통해 Instrument Signal Capsule에 직접적인 기계적 힘으로 전달됩니다.
- 이 힘은 캡슐 내부의 다이어프램이나 피스톤에 작용하여 입력 신호(예: 3-15 psi)와 현재 액추에이터 위치 간의 불균형을 감지합니다.
3. 균형 조정 및 위치 제어
- Instrument Signal Capsule은 입력 신호와 피드백 스프링으로부터 전달된 힘 간의 차이를 비교하여, 파일럿 밸브 스풀이 조정됩니다.
- 파일럿 밸브는 공압을 제어하여 액추에이터가 필요한 위치에 도달하도록 움직임을 수정합니다.
- 최종적으로, 피드백 스프링은 출력 위치가 입력 신호와 일치할 때 더 이상 변형되지 않도록 균형점에 도달합니다.
4. 안정적인 폐루프 시스템 유지
- 피드백 스프링은 실제 위치와 설정된 입력 신호 간의 실시간 오차를 줄이는 역할을 합니다.
- 시스템은 이러한 피드백 메커니즘을 통해 자동으로 실시간 조정을 수행하며, 안정적인 위치 제어를 유지합니다.
핵심적으로 피드백 스프링은 액추에이터의 실제 위치를 Instrument Signal Capsule로 전달하여 입력 신호와의 균형을 유지하고, 파일럿 밸브를 통해 액추에이터를 적절히 조정하도록 돕는 역할을 합니다. 더 깊이 들어가 특정 구성 요소에 대해 알고 싶으시면 언제든 말씀해주세요! ?
Instrument signal capsule은 입력 신호인 3-15 psi의 공압 압력에 의해 다이어프램이나 내부 기계적 부품을 움직이는 방식으로 작동합니다. 이 과정을 단계적으로 설명하면 다음과 같습니다:
1. 신호 수신
- 3-15 psi는 제어 신호로, 캡슐 내부의 다이어프램에 전달됩니다.
- 낮은 압력(3 psi)에서 높은 압력(15 psi)까지의 범위는 액추에이터가 열리거나 닫히는 정도를 조정하는 기준이 됩니다.
2. 다이어프램 작동
- 캡슐 내부에는 유연한 다이어프램이 있습니다. 입력된 압력 신호가 다이어프램 표면에 작용하면, 다이어프램이 팽창하거나 수축합니다.
- 공압이 높을수록 다이어프램이 더 크게 팽창하며, 이는 기계적 힘을 생성하여 내부 부품(예: 스프링, 밸런스 빔)을 이동시킵니다.
3. 파일럿 밸브 스풀과의 연결
- 다이어프램의 움직임은 밸런스 빔과 연결되어 있으며, 이를 통해 파일럿 밸브 스풀의 위치를 조정합니다.
- 파일럿 밸브 스풀의 위치는 액추에이터로 전달되는 공압의 양을 제어하므로, 밸브의 개폐 정도를 결정합니다.
4. 피드백 작용
- 액추에이터의 움직임은 피드백 메커니즘을 통해 다시 캡슐로 전달됩니다.
- 피드백 스프링은 다이어프램이 입력 신호와 출력 위치 간의 차이를 조정하도록 도움을 줍니다.
5. 균형 상태 유지
- 입력 신호(3-15 psi)와 피드백 스프링으로부터 오는 신호가 균형을 이루면, 파일럿 밸브 스풀이 중립 위치를 유지하며 액추에이터가 설정된 위치에 안정적으로 고정됩니다.
핵심 작동 원리
공압 신호(3-15 psi)는 다이어프램을 움직이는 힘을 제공하며, 이를 통해 밸브 및 액추에이터의 위치를 조정하고 정확하게 제어하는 데 사용됩니다. 이 시스템은 피드백 루프를 포함하여 신호와 출력 간의 오차를 줄이는 방식으로 작동합니다.
궁금하신 다른 세부 사항이 있다면 알려주세요! ?